
MIL-DTL-9395/30H
ELECTRICAL CONNECTOR TO
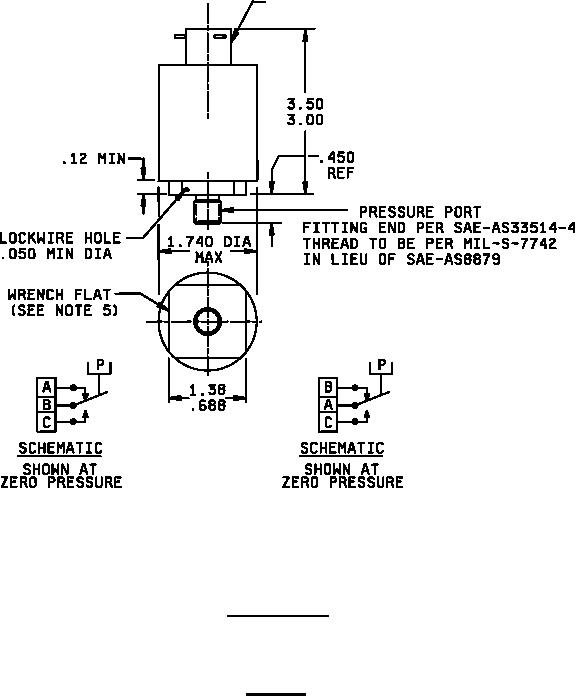
MATE WITH M83723-49R0803N
(All others)
(-KBCB9 or 51085)
WEIGHT: NOT TO EXCEED .45 lbs.
Configuration 4
FIGURE 1. Switches - Continued.
4
For Parts Inquires call Parts Hangar, Inc (727) 493-0744
© Copyright 2015 Integrated Publishing, Inc.
A Service Disabled Veteran Owned Small Business