
MIL-PRF-24236/24E
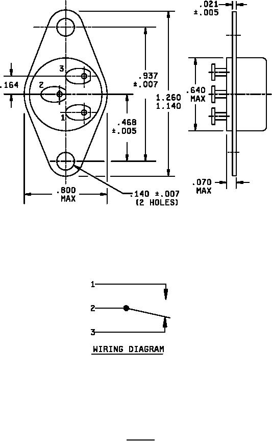
Configuration B2
Below low temperature setting, circuit 1-2 is open.
Above high temperature setting, circuit 2-3 is open.
FIGURE 1. Switches - Continued.
4
For Parts Inquires call Parts Hangar, Inc (727) 493-0744
© Copyright 2015 Integrated Publishing, Inc.
A Service Disabled Veteran Owned Small Business