
MIL-PRF-24236/24E
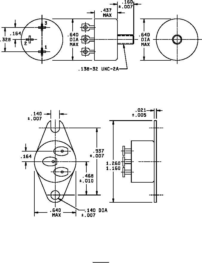
Configuration B1
Configuration A3 (stud
mounted)
FIGURE 1. Switches - Continued.
3
For Parts Inquires call Parts Hangar, Inc (727) 493-0744
© Copyright 2015 Integrated Publishing, Inc.
A Service Disabled Veteran Owned Small Business