
INCH-POUND
MIL-PRF-24236/24E
5 April 2006
SUPERSEDING
MIL-PRF-24236/24D
22 January 2001
PERFORMANCE SPECIFICATION SHEET
SWITCHES, THERMOSTATIC, (BIMETALLIC),
SUBMINIATURE, TYPE I, HERMETICALLY SEALED,
SINGLE POLE, DOUBLE THROW (SPDT), 2 AMPERES AND LOW LEVEL
This specification is approved for use by all
Departments and Agencies of the Department of Defense.
The complete requirements for acquiring the switches described herein shall consist of this specification and the
latest issue of MIL-PRF-24236.
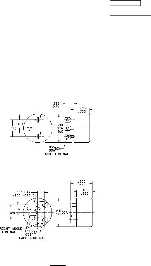
Configuration A (see note 6)
Configuration B (see note 6)
FIGURE 1. Switches.
AMSC N/A
FSC 5930
For Parts Inquires call Parts Hangar, Inc (727) 493-0744
© Copyright 2015 Integrated Publishing, Inc.
A Service Disabled Veteran Owned Small Business