
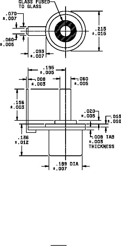
MIL-PRF-24236/19L
DIA
DIA
Configuration 5
Inches
mm
Inches
mm
Inches
mm
Inches
mm
.003
0.08
.015
0.38
.093
2.36
.187
4.75
.005
0.13
.020
0.51
.110
2.79
.189
4.80
.007
0.18
.040
1.02
.112
2.84
.203
5.16
.008
0.20
.045
1.14
.136
3.45
.215
5.46
.010
0.25
.050
1.27
.156
3.96
.250
6.35
.012
0.30
.060
1.52
.168
4.27
.281
7.14
.013
0.33
.070
1.78
.170
4.32
.290
7.37
NOTES:
1. Dimensions are in inches.
2. Metric equivalents are given for general information only.
FIGURE 1. Switches - Continued.
REQUIREMENTS:
3
For Parts Inquires call Parts Hangar, Inc (727) 493-0744
© Copyright 2015 Integrated Publishing, Inc.
A Service Disabled Veteran Owned Small Business