
MIL-PRF-24236/19L
.050 ± .005
.189 DIA
±.007
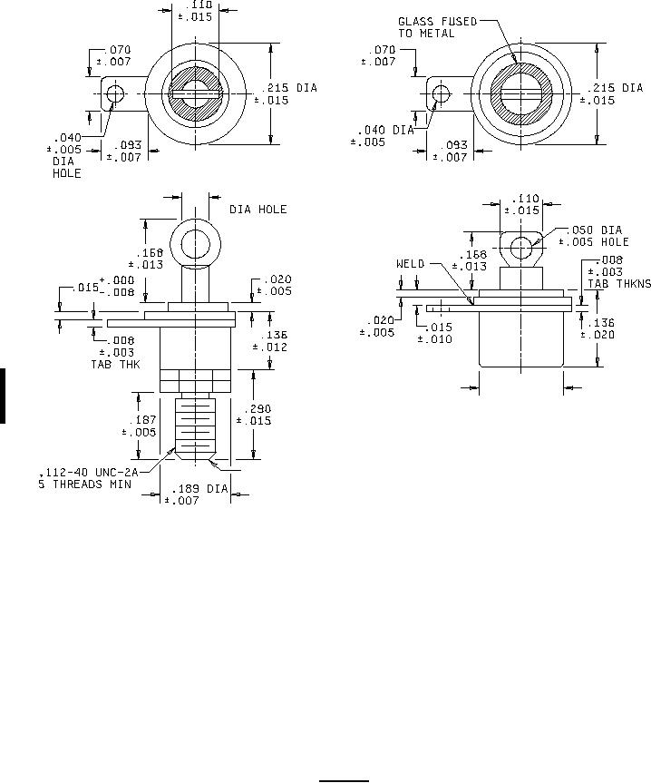
ELECTRICALLY ISOLATED
MOUNTING STUD
NOTE:
1. Orientation of pin, relative to tab, not controlled.
Configuration 3
Configuration 4
FIGURE 1. Switches - Continued.
2
For Parts Inquires call Parts Hangar, Inc (727) 493-0744
© Copyright 2015 Integrated Publishing, Inc.
A Service Disabled Veteran Owned Small Business