
INCH-POUND
MIL-PRF-24236/19L
18 April 2014
SUPERSEDING
MIL-PRF-24236/19K
2 February 2007
PERFORMANCE SPECIFICATION SHEET
SWITCHES, THERMOSTATIC, (BIMETALLIC), (SUBMINIATURE),
TYPE I, HERMETICALLY SEALED,
SINGLE POLE, SINGLE THROW (SPST), 1 AMPERE AND LOW LEVEL
This specification is approved for use by all Departments and Agencies of the Department of Defense.
The requirements for acquiring the product described herein shall consist of this specification sheet and MIL-PRF-24236.
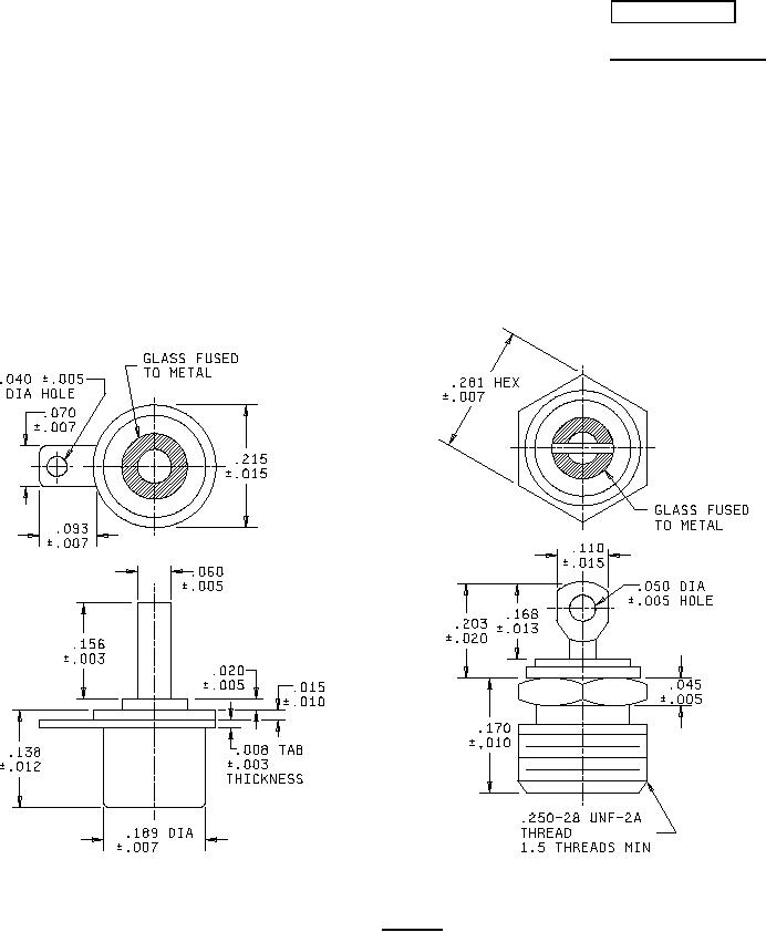
DIA
DIA
Configuration 1
Configuration 2
FIGURE 1. Switches.
AMSC N/A
FSC 5930
For Parts Inquires call Parts Hangar, Inc (727) 493-0744
© Copyright 2015 Integrated Publishing, Inc.
A Service Disabled Veteran Owned Small Business