
MIL-PRF-22885/109B
SQ
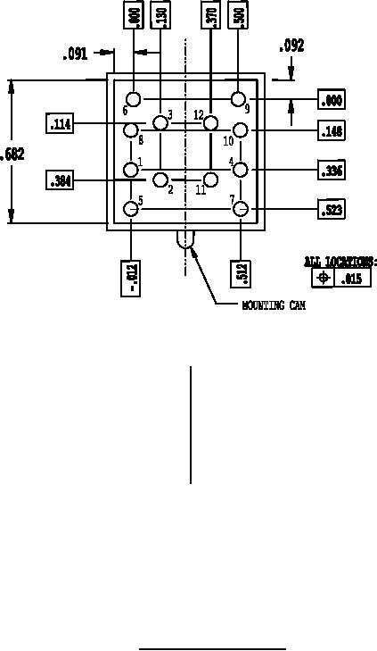
Inches
mm
Inches
mm
.012
0.30
.336
8.53
.015
0.38
.370
9.40
.091
2.31
.384
9.75
.092
2.34
.500
12.70
.114
2.90
.512
13.00
.130
3.30
.523
13.28
.148
3.76
.682
17.32
NOTES:
1. Dimensions are in inches.
2. Metric equivalents are given for general information only.
3. Dimensions apply for PC and connector module terminals only.
4. See figure 8 for additional applicable notes.
FIGURE 5. Two-pole terminal locations.
8