
MIL-PRF-22885/109B
SEE FIGURES 5 AND 6 FOR
SEE FIGURE 4 FOR
SEERMINAL SPACING6
TE FIGURES 5 AND
SEE MINAL SPACING
TERFIGURE 4 FOR
FOR TERMINAL SPACING
TERMINAL SPACING
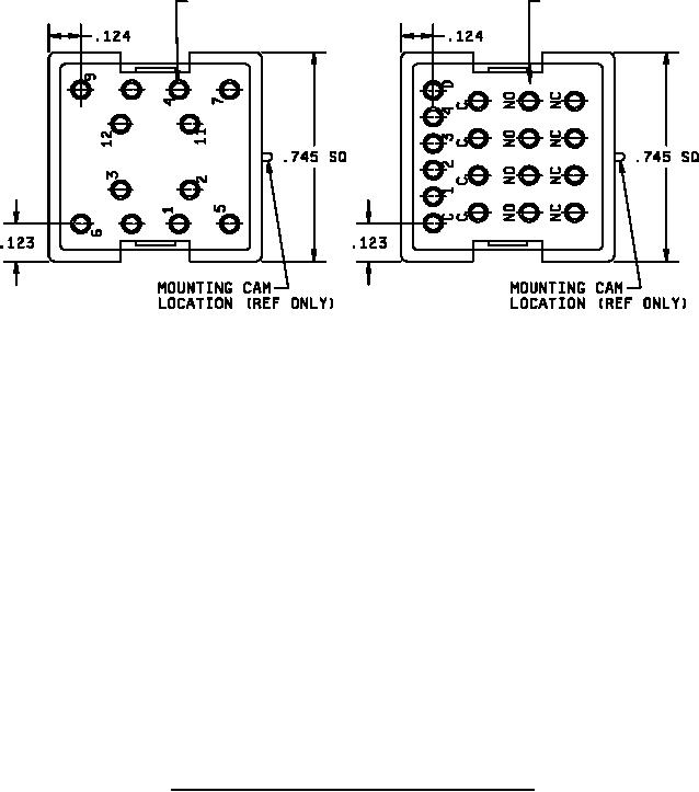
Inches
mm
.005
0.13
.010
0.25
.123
3.12
.124
3.15
.692
17.58
.745
18.92
NOTES:
1. Dimensions are in inches.
2. Metric equivalents are given for general information only.
3. Switches with Single Sleeve mounting are totally front panel replaceable but poke home header will not stay
secured during replacement.
4. Switches with Double Sleeve mounting are totally front panel replaceable and poke home header will stay
secured to panel during replacement.
5. The connector module shall be capable of receiving M39029/57-354 contacts crimped to a 22 or 24 gauge
wire.
6. The connector module shall be capable of having the socket contacts inserted or removed using an
M81969/14-01 contact insertion/removal tool.
7. See figure 8 for additional applicable notes.
FIGURE 3. Switches with Pokehome connector module termination - Continued.
6