
MIL-PRF-22885/102D
INCHES
MM
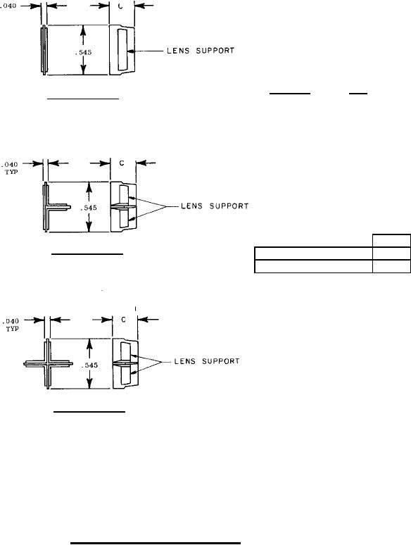
2-WAY DIVIDER
.040
1.02
.252
5.40
.545
13.84
.552
14.02
DIM C
3-WAY DIVIDER
SHORT VERSION
.252
EXTENDED VERSION .552
4-WAY DIVIDER
NOTES:
1. Dimensions are in inches.
2. Unless otherwise stated, tolerances are ±.010 for three place decimals and ±.03 for
two place decimals.
3. Type S dividers cannot be ordered separately.
4. Design of lens support optional within envelope dimensions shown.
FIGURE 8. Spare part, divider, type W, N and C. (See note 3)
8
For Parts Inquires call Parts Hangar, Inc (727) 493-0744
© Copyright 2015 Integrated Publishing, Inc.
A Service Disabled Veteran Owned Small Business