
MIL-PRF-22885/102D
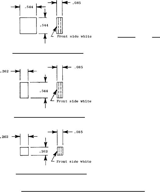
INCHES
MM
.085
2.16
.262
6.66
.544
13.82
LENS STYLE 4: LAMINATED FILTER
LENS STYLE 5: LAMINATED FILTER
LENS STYLE 6: LAMINATED FILTER
FIGURE 5. SPARE PART, LAMINATED FILTER, TYPE N AND TYPE W
NOTES:
1. Dimensions are in inches.
2. Unless otherwise stated, tolerances are ±.010 for three place decimals and ±.03 for
two place decimals.
5
For Parts Inquires call Parts Hangar, Inc (727) 493-0744
© Copyright 2015 Integrated Publishing, Inc.
A Service Disabled Veteran Owned Small Business