
MIL-PRF-22885/102D
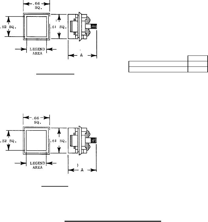
INCHES
MM
.52
13.2
.61
15.5
.66
16.7
.71
18.0
1.01
25.6
DIM A
SHORT VERSION
.71
EXTENDED VERSION
1.01
Lamp Circuit 1 and 4
Style C Integral Seal
Style G Integral Seal/EMI/RFI Shielding
Lamp Circuit 3
Style D Integral Seal
Style H Integral Seal/EMI/RFI Shielding
FIGURE 2. PUSHBUTTON STYLES, (SEALED) C, D, G, H
NOTES:
1. Dimensions are in inches.
2. Unless otherwise stated, tolerances are ±.010 (0.25 mm) for three place decimals
and ±.03 (0.8 mm) for two place decimals.
3. Lamps shown for reference only.
4. The design configuration is optional within the envelope dimensions shown.
2
For Parts Inquires call Parts Hangar, Inc (727) 493-0744
© Copyright 2015 Integrated Publishing, Inc.
A Service Disabled Veteran Owned Small Business