
MIL-PRF-22710/24B
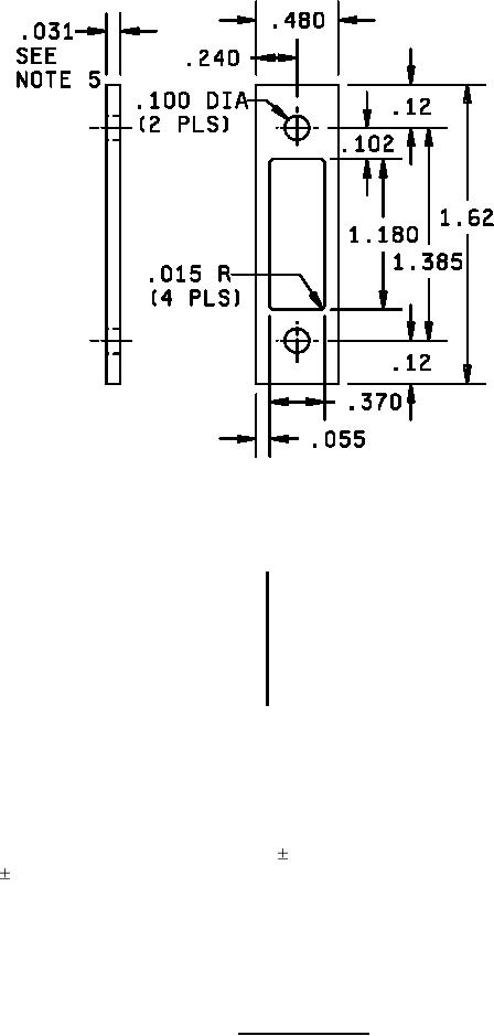
INCHES
MM
INCHES
MM
0.015
0.38
0.240
6.10
0.031
0.79
0.370
9.40
0.055
1.40
0.480
12.19
0.100
2.54
1.180
29.97
0.102
2.59
1.385
35.18
0.120
3.05
1.625
41.28
NOTES
1. Dimensions are in inches. Metric equivalents are for general information only.
2. Unless otherwise specified, tolerances are .005 (.13 mm) for three place decimals
and ..02 (.5 mm) for two place decimals.
FIGURE 2. Panel seal gasket.
3