
INCH-POUND
MIL-PRF-22710/24B
20 April 2001
SUPERSEDING
MIL-S-22710/24A
14 March 1977
PERFORMANCE SPECIFICATION SHEET
SWITCHES, ROTARY (PRINTED CIRCUIT),
(TOGGLE, BIDIRECTIONAL, SEALED, ILLUMINATED OR NONILLUMINATED),
STYLE SRPC24
This specification is approved for use by all Departments and Agencies of the Department of Defense.
The requirements for acquiring the product described herein shall consist of this specification sheet and
the issue of MIL-PRF-22710 listed in that issue of the Department of Defense Index of Specifications and
Standards (DODISS) specified in the solicitation.
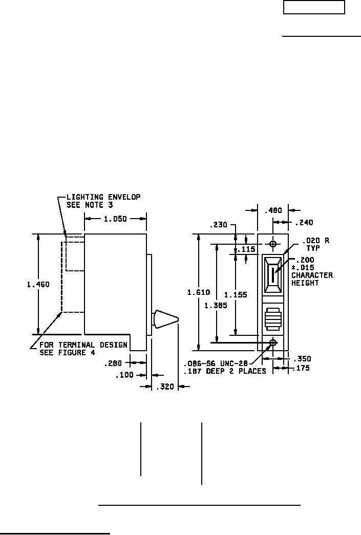
INCHES
MM
INCHES
MM
INCHES
MM
0.015
0.38
0.180
4.57
0.350
8.89
0.020
0.51
0.200
5.08
0.480
12.19
0.086
2.18
0.230
5.84
1.050
26.67
0.100
2.54
0.240
6.10
1.155
29.34
0.115
2.92
0.280
7.11
1.385
35.18
0.175
4.45
0.320
8.13
1.460
37.08
1.610
40.89
FIGURE 1. Style SRPC24 switch and panel cutout and installation data.
AMSC N/A
1 of 11
FSC 5930
DISTRIBUTION STATEMENT A. Approved for public release; distribution is unlimited.