
MIL-PRF-22710/20D
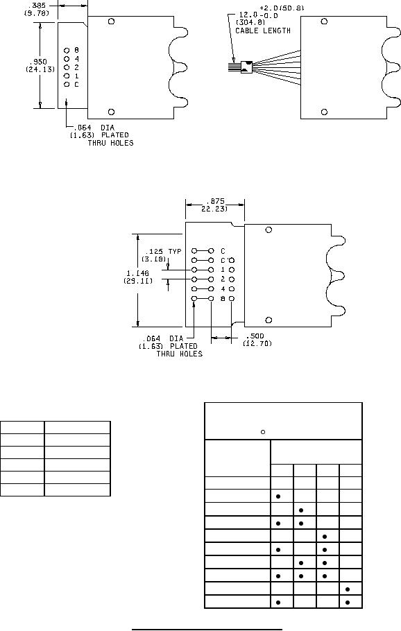
MODULE J, J1, J2 or J3
MODULE H, H1, H2 or H3
MODULE K, K1, K2 or K3
TRUTH TABLE
(CircuirT configuration 4)
LEAD
COLOR
36 INDEXING
C
WHT/BRN
COMMON C
DIAL
1
BROWN
CONN. TO:
MARKING
2
RED
1
2
4
8
4
YELLOW
0
8
GREY
1
2
3
4
5
6
7
8
9
Figure 3. Module and circuit configuration. - Continued.
7