
MIL-PRF-22710/20D
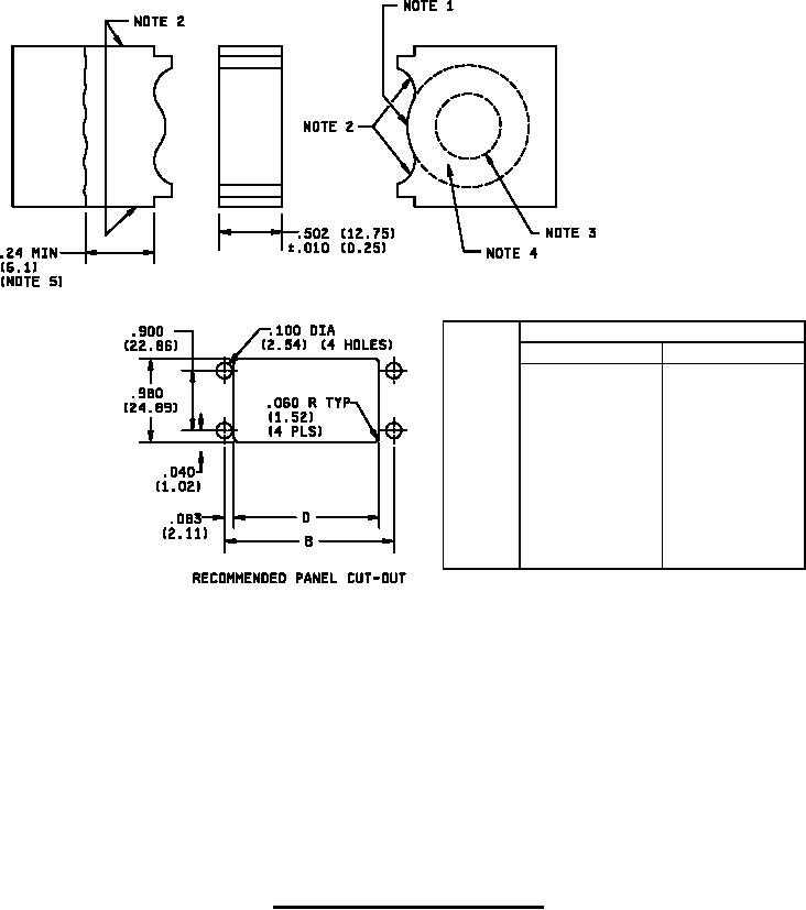
Dimensions
No. of
Modules
D
B
1
0.926
23.52
1.094
27.79
2
1.428
36.27
1.596
40.54
3
1.930
49.02
2.098
53.29
4
2.432
61.77
2.600
66.04
5
2.934
74.52
3.102
78.79
6
3.436
87.27
3.604
91.54
7
3.938
100.03
4.106
104.29
8
4.440
112.78
4.608
117.04
9
4.942
125.53
5.110
129.79
10
5.444
138.28
5.612
142.54
NOTES:
1. Black matte finish over silver - for all surfaces exposed from front of panel
2. No color coating to be applied over silver in these areas (4 places).
3. No paint applied to this surface.
4. Overspray permitted in this area.
5. Minimum silvered surface, measured from mounting surface.
FIGURE 2. RFI shielded switch and panel cutout.
3