
INCH-POUND
MIL-PRF-22710/20D
20 April 2001
SUPERSEDING
MIL-S-22710/20C
4 October 1982
PERFORMANCE SPECIFICATION SHEET
SWITCHES, CODE INDICATING WHEEL (PRINTED CIRCUIT),
(THUMBWHEEL SWITCH ASSEMBLY, SEALED MODULES, DUAL-ILLUMINATED)
(RFI SHIELDED) (TOP AND BOTTOM RELAMPABLE), STYLE SRPC20
This specification is approved for use by all Departments and Agencies of the Department of Defense.
The requirements for acquiring the product described herein shall consist of this specification sheet and
the issue of MIL-PRF-22710 listed in that issue of the Department of Defense Index of Specifications and
Standards (DODISS) specified in the solicitation.
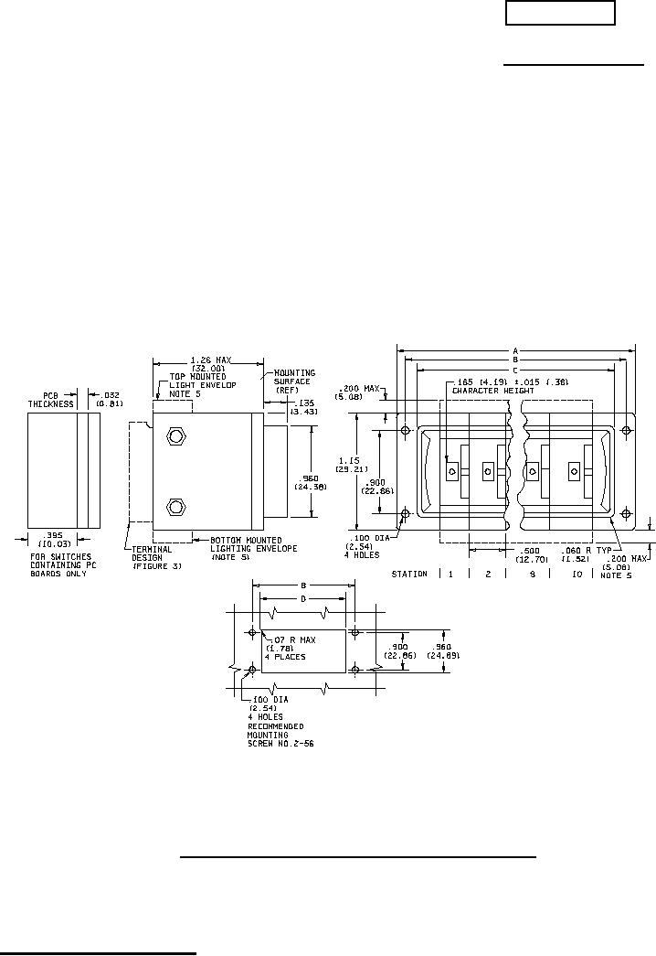
RECOMMENDED PANEL CUTOUT
FIGURE 1. Style SRPC20 switch andpanel cutout (unshielded switch).
AMSC N/A
1 of 26
FSC 5930
DISTRIBUTION STATEMENT A. Approved for public release; distribution is unlimited.