
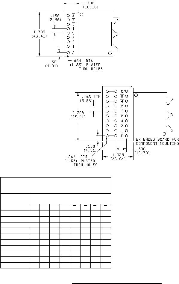
MIL-PRF-22710/12G
MODULE H, H1, H2, H3, H4 or H5
MODULE J, J1, J2, J3, J4 or J5
TRUTH TABLE
(Circuit configuration 6)
36° INDEXING
COMMON C
DIAL
CONN. TO:
MARKING
1
2
4
8
1
2
4
8
·
·
·
·
NOTES:
0
1. Dimensions are in inches.
·
·
·
·
1
2. Metric equivalents are in
·
·
·
·
2
parentheses.
·
·
·
·
3
3. Metric equivalents are given for
·
·
·
·
4
general information only and are
·
·
·
·
5
based upon 1 inch = 2.54 mm.
·
·
·
·
6
4. Where specified, C' is common to
·
·
·
·
7
C and is used for component
·
·
·
·
mounting.
8
·
·
·
·
9
FIGURE 3. Module and circuit configuration - Continued.
9
For Parts Inquires call Parts Hangar, Inc (727) 493-0744
© Copyright 2015 Integrated Publishing, Inc.
A Service Disabled Veteran Owned Small Business