
MIL-PRF-22710/12G
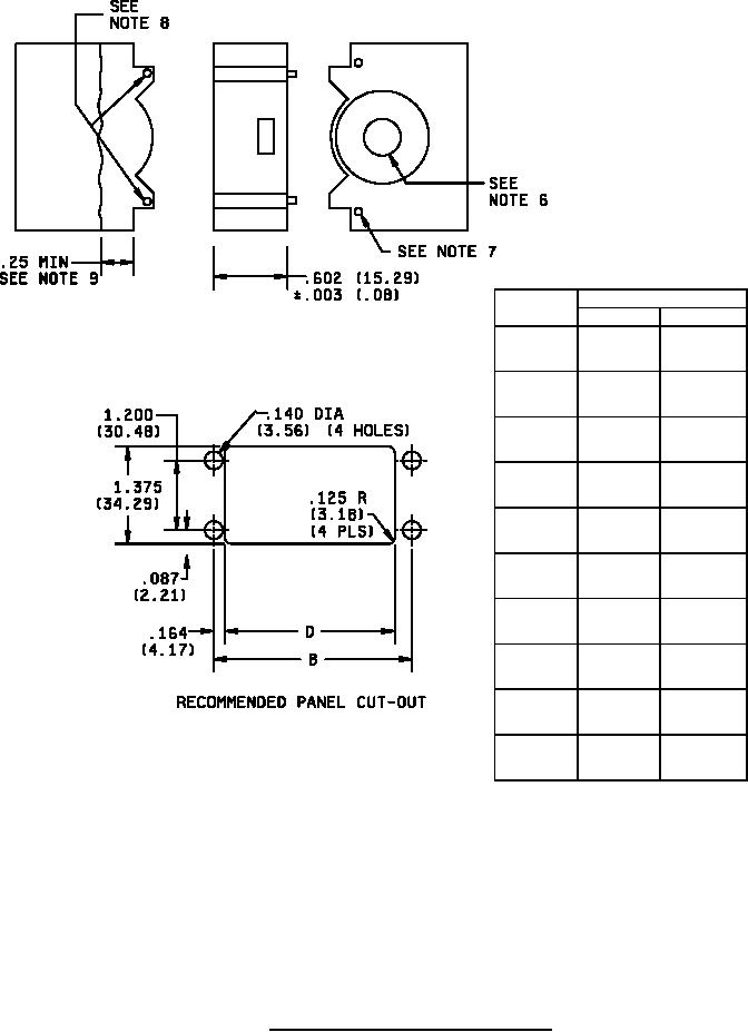
Dimensions
No. of
Modules
D
B
1.21
1.54
1
( 30.73)
( 39.12)
1.81
2.14
2
( 45.97)
( 54.36)
2.41
2.74
3
( 61.22)
( 69.60)
3.04
3.34
4
( 76.45)
( 84.84)
3.61
3.94
5
( 91.69)
( 100.08)
4.21
4.54
6
(106.93)
(115.32)
4.81
5.14
7
(122.17)
(130.55)
5.41
5.74
8
(137.41)
(145.80)
6.01
6.34
9
(152.65)
(161.04)
6.61
6.94
10
(167.89)
(176.28
NOTES:
1. Dimensions are in inches.
2. Metric equivalents are in parentheses.
3. Metric equivalents are given for general information only and are base upon 1 inch = 25.4 mm.
4. Unless otherwise specified, tolerance it ± .101 (.25 mm).
5. Black matte finish over silver - for all surfaces exposed from front of panel.
6. No paint on shaft hole.
7. Paint overspray permitted in hole.
8. .082 ± .002 DIA, drilled out holes.
9. Minimum silvered surface, measured from mounting surface.
FIGURE 2. RFI Shielded switch and panel cut-out
3
For Parts Inquires call Parts Hangar, Inc (727) 493-0744
© Copyright 2015 Integrated Publishing, Inc.
A Service Disabled Veteran Owned Small Business