
MIL-PRF-22710/12G
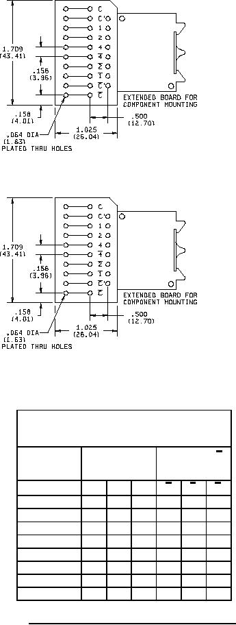
MODULE C, C1, C2, C3, C4 or C5
\
MODULE D, D1, D2, D3, D4 or D5
TRUTH TABLE
(Circuit Configuration 3)
45° INDEXING
DIAL
COMMON C
COMMON C
MARKING
CONN. TO:
CONN. TO:
1
2
4
1
2
4
·
·
·
0
·
·
·
1
·
·
·
2
·
·
·
3
·
·
·
4
·
·
·
5
·
·
·
6
·
·
·
7
FIGURE 3. Module and circuit configuration - Continued1
6
For Parts Inquires call Parts Hangar, Inc (727) 493-0744
© Copyright 2015 Integrated Publishing, Inc.
A Service Disabled Veteran Owned Small Business