
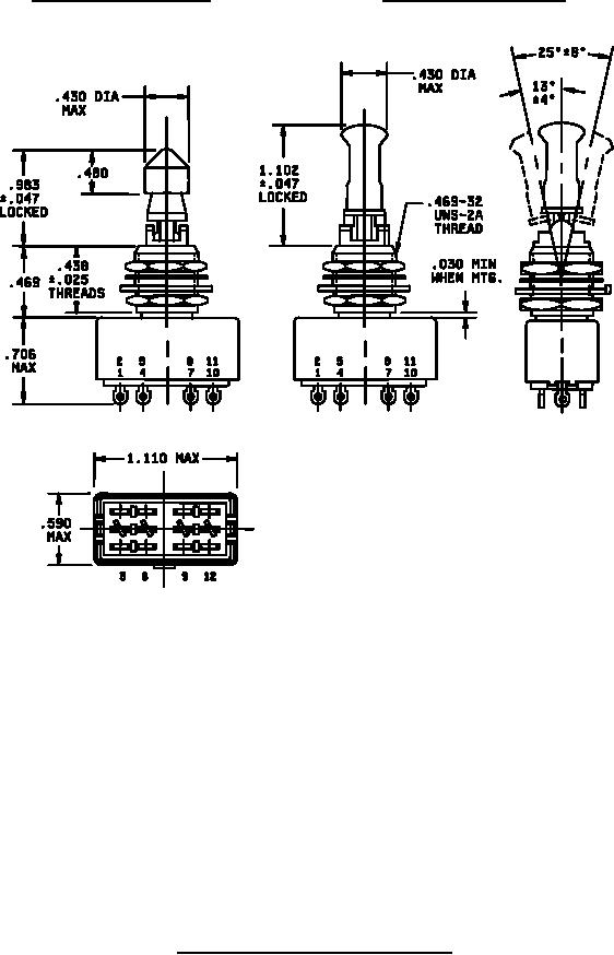
MIL-DTL-8834/1A
LOCKING LEVER STYLE I
LOCKING LEVER STYLE II
Inches
mm
Inches
mm
.005
0.13
.432
10.97
.010
0.25
.438
11.13
.012
0.30
.469
11.91
.025
0.64
.480
12.19
.030
0.76
.590
14.99
.045
1.14
.687
17.45
.047
1.19
.706
17.93
.053
1.35
.983
24.97
.072
1.83
1.102
27.99
.240
6.10
1.110
28.19
.430
10.92
NOTES:
1. Dimensions are in inches.
2. Metric equivalents are given for general information only.
3. Unless otherwise specified, tolerances are ±.010 for decimals and ±.5° for angles.
4. For hardware detail specifications see appendix of MIL-DTL-8834.
5. Nonfunctional terminals shall not be supplied.
FIGURE 1. Switches with .469 inch mounting bushing - Continued.
2