
MIL-DTL-15743/13C
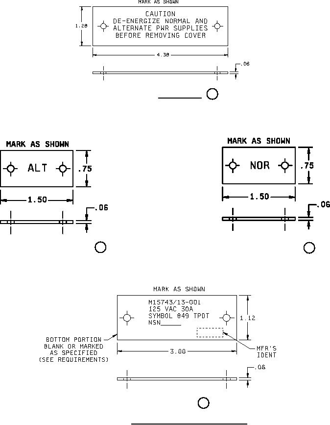
FIGURE 11. Caution plate. 16
A. "ALT" information plate. 17
B. "NOR" information plate. 18
C. Identification plate. 19
FIGURE 12. Identification and information plates.
8
For Parts Inquires call Parts Hangar, Inc (727) 493-0744
© Copyright 2015 Integrated Publishing, Inc.
A Service Disabled Veteran Owned Small Business