
INCH-POUND
MIL-DTL-15743/13C
26 March 2007
SUPERSEDING
MIL-DTL-15743/13B
26 November 2002
DETAIL SPECIFICATION SHEET
SWITCH, ROTARY, ENCLOSED, DRIPPROOF ACTION, TRANSFER,
WITH INDICATION, 125 VOLTS ALTERNATING CURRENT, 30 AMPERE,
SYMBOL 849 (TPDT)
This specification is approved for use by all Departments and Agencies of the
Department of Defense.
The requirements for acquiring the product described herein shall consist of this specification and the
latest issue of MIL-DTL-15743.
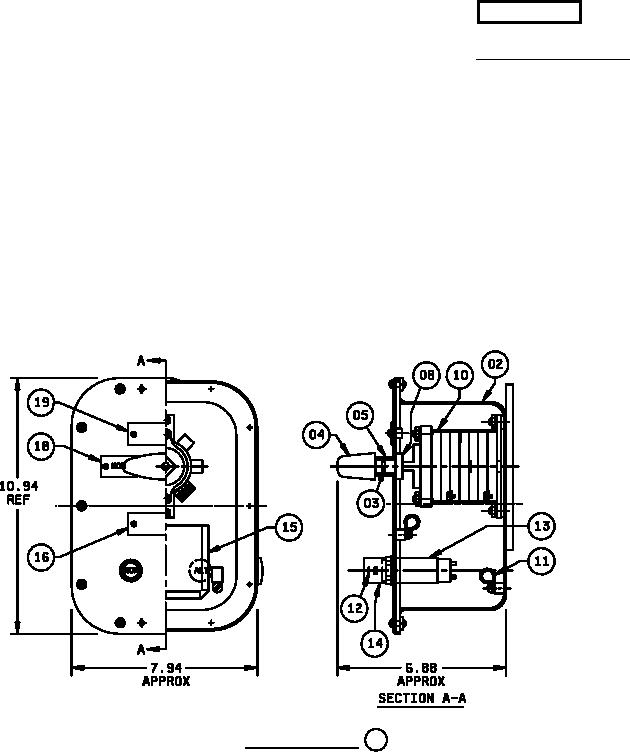
FIGURE 1. Switch, enclosed. 01
NOTES:
1. All dimensions in inches.
2. Unless otherwise specified herein, tolerances shall be as follows:
Two place decimals - plus or minus 0.02.
Three place decimals - plus or minus 0.005.
Angular dimensions - plus or minus 30 minutes.
AMSC N/A
FSC 5930
For Parts Inquires call Parts Hangar, Inc (727) 493-0744
© Copyright 2015 Integrated Publishing, Inc.
A Service Disabled Veteran Owned Small Business