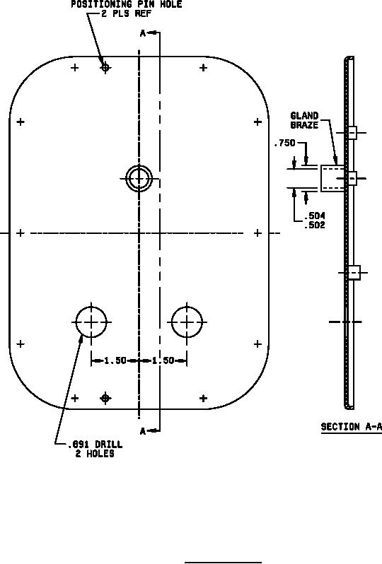
MIL-DTL-15743-13 Switch, Rotary, Enclosed, Dripproof Action, Transfer, With Indication, 125 Volts Alternating Current, 30 Ampere, Symbol 849 \(Tpdt\)