
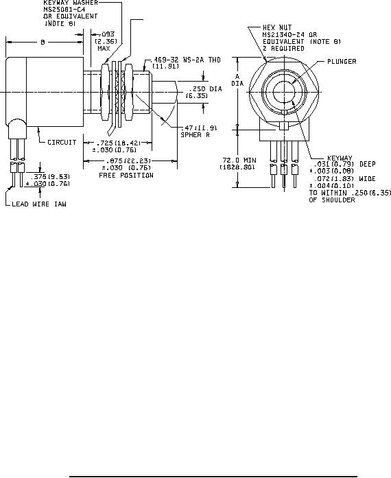
MIL-PRF-8805/80G
INTERNAL TOOTH
LOCKWASHER
NASM35333-136
OR EQUIVALENT
(NOTE 8)
SAE-AS22759/7 (NOTE 5)
NOTES:
1. Dimensions are in inches.
2. Metric equivalents are given for general information only.
3. Unless otherwise specified, tolerances are ±.03 (0.8 mm) for one place decimals and ±.02 (0.5
mm) for two place decimals, ±.005 (0.13 mm) for three place decimals
4. Configuration optional provided specified dimensions are not exceeded.
5. Lead wire shall be marked at intervals of 3.5 inches (89 mm) maximum with switch circuit
identification number followed by wire gauge number (1-20). The marking shall be legible,
permanent, and shall not impair the wire characteristics.
6. See table III for A and B dimensions.
7. Metric equivalents are in parenthesis.
8. Alternative base metals and protective finishes, as approved by the qualifying activity, may be
utilized for hexagon nut, lock washer and key washer material. Dimensions shall be in
accordance with the referenced hardware specifications.
FIGURE 2. Pin plunger switch with .469 inch (11.91 mm) threaded bushing.
2
For Parts Inquires call Parts Hangar, Inc (727) 493-0744
© Copyright 2015 Integrated Publishing, Inc.
A Service Disabled Veteran Owned Small Business