
INCH-POUND
MIL-PRF-8805/80G
29 April 2009
SUPERSEDING
MIL-PRF-8805/80F
19 October 2006
PERFORMANCE SPECIFICATION SHEET
SWITCH, SENSITIVE, LIMIT, HERMETIC SEAL
This specification is approved for use by all Departments and Agencies of the Department of Defense.
The requirements for acquiring the product described herein shall consist of this specification and MIL-PRF-8805.
INTERNAL TOOTH
LOCKWASHER
NASM35333-138
OR EQUIVALENT
(NOTE 8)
SAE-AS22759/7 (NOTE 5)
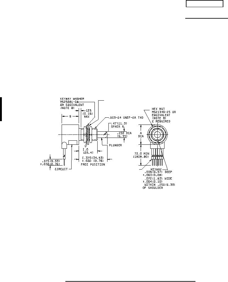
NOTES:
1. Dimensions are in inches.
2. Metric equivalents are given for general information only.
3. Unless otherwise specified, tolerances are ±.03 (0.8 mm) for one place decimals and ±.02 (0.5
mm) for two place decimals, ±.005 (0.13 mm) for three place decimals
4. Configuration optional provided specified dimensions are not exceeded.
5. Lead wire shall be marked at intervals of 3.5 inches (89 mm) maximum with switch circuit
identification number followed by wire gauge number (1-20). The marking shall be legible,
permanent, and shall not impair the wire characteristics.
6. See table III for A and B dimensions.
7.
Metric equivalents are in parentheses.
8.
Alternative base metals and protective finishes, as approved by the qualifying activity, may be utilized for
hexagon nut, lock washer and key washer material. Dimensions shall be in accordance with the referenced
hardware specifications.
FIGURE 1. Pin plunger switch with .625 inch (15.88 mm) threaded bushing.
AMSC N/A
FSC 5930
For Parts Inquires call Parts Hangar, Inc (727) 493-0744
© Copyright 2015 Integrated Publishing, Inc.
A Service Disabled Veteran Owned Small Business