emilspec
An Integrated Publishing, Inc. Site
eMilSpec
An Integrated Publishing Website
MIL-PRF-8805-77 Switches, Sensitive, Momentary, 4 Circuit Or Dpdt \(10 Amperes\), Unsealed
Pages
1
-
2
-
3
-
4
-
5
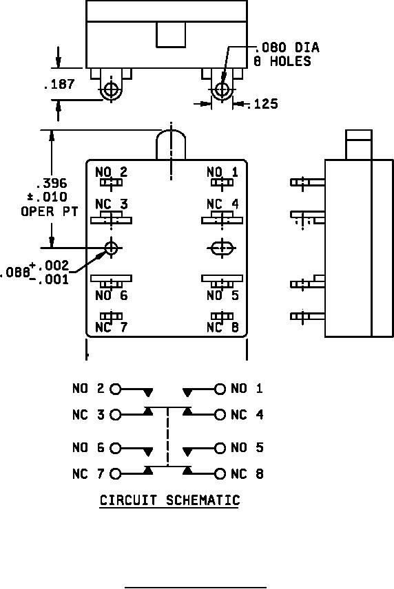
MIL-PRF-8805/77H
TERMINAL CONFIGURATION
B
4 CIRCUIT SCHEMATIC
FIGURE
1. Dimensions and configurations - Continued.
2