
INCH-POUND
MIL-PRF-8805/77H
19 September, 2000
SUPERSEDING
MIL-PRF-8805/77G
3 September 1999
PERFORMANCE SPECIFICATION SHEET
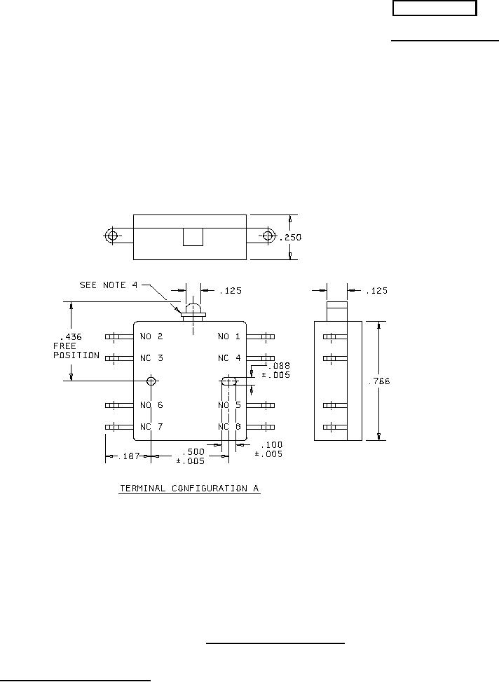
SWITCHES, SENSITIVE, MOMENTARY, 4 CIRCUIT
OR DPDT (10 AMPERES), UNSEALED
This specification is approved for use by all Departments
and Agencies of the Department of Defense.
The requirements for acquiring the product described herein
shall consist of this specification and MIL-PRF-8805.
Inches
mm
Inches
mm
Inches
Mm
Inches
mm
.001
0.03
.080
2.03
.250
6.35
.500
12.70
.002
0.05
.088
2.24
.396
10.06
.766
19.46
.005
0.13
.125
3.18
.436
11.07
.781
19.84
.010
0.25
.187
4.75
NOTES:
1. Dimensions are in inches.
2. Metric equivalents are given for general information only.
3. Unless otherwise specified, tolerance is ±.015 (0.38 mm).
4. Collar available on 003 and 004 only.
FIGURE 1. Dimensions and configuration.
AMSC N/A
1 of 5
FSC 5930
DISTRIBUTION STATEMENT A. Approved for public release; distribution is unlimited.