
MIL-PRF-8805/68L
AWG N0 20 WIRE LEADS IAW
SAE-AS22759/9 OR EQUIVALENT
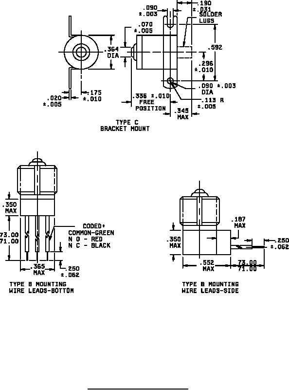
FIGURE 1. Dimensions and configurations continued.
2
For Parts Inquires call Parts Hangar, Inc (727) 493-0744
© Copyright 2015 Integrated Publishing, Inc.
A Service Disabled Veteran Owned Small Business