
INCH-POUND
MIL-PRF-8805 /68L
7 January 2008
SUPERSEDING
MIL-PRF-8805 /68K
20 June 2006
PERFORMANCE SPECIFICATION SHEET
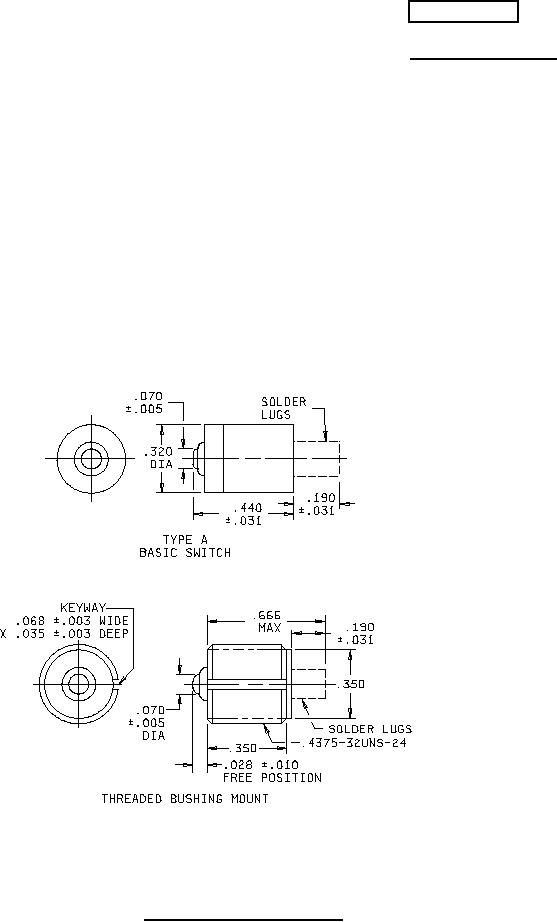
SWITCHES, SENSITIVE, SPDT, 4 AMPERES, HERMETIC SEAL
This specification is approved for use by all Departments and Agencies of the Department of Defense.
The complete requirements for acquiring the switch described herein shall consist of this specification
and the latest issue of MIL-PRF-8805.
FIGURE 1. Dimensions and configuration
AMSC N/A
FSC 5930
For Parts Inquires call Parts Hangar, Inc (727) 493-0744
© Copyright 2015 Integrated Publishing, Inc.
A Service Disabled Veteran Owned Small Business