
INCH-POUND
MIL-PRF-8805/40K
1 July 2014
SUPERSEDING
MIL-PRF-8805/40J
6 December 2012
PERFORMANCE SPECIFICATION SHEET
SWITCHES, SENSITIVE, PLUNGER, RESILIENT SEAL, FLUID RESISTANT
This specification is approved for use by all Departments and Agencies of the Department of Defense.
The complete requirements for acquiring the switches described herein shall consist of this specification
and the latest issue of MIL-PRF-8805.
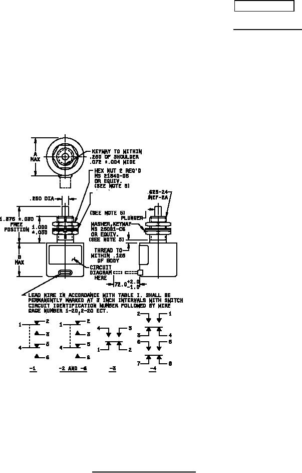
INTERNAL TOOTH
LOCKWASHER
NASM 35333-138 OR
EQUIVALENT
Inches
mm
.004
0.10
.015
0.38
.017
0.43
.022
0.56
.030
0.76
.038
0.97
.072
1.83
.125
3.18
.250
6.35
.584
14.83
.625
15.88
.650
16.51
.870
22.10
1.000
25.40
1.375
34.93
2.0
50.80
72.0
1828.80
NOTES:
1.
Dimensions are in inches.
Unless otherwise stated, tolerance is ±.010 (0.0254 mm).
2.
3.
Metric equivalents are given for general information only.
4.
Contour optional, provided maximum dimensions specified are not exceeded.
5.
Alternative base metals and protective finishes, as approved by the qualifying activity, may be utilized
for hexagon nut, lock washer and keyway washer material. Dimensions shall be in accordance with
the referenced hardware specifications.
FIGURE 1. Dimensions and configurations.
AMSC N/A
FSC 5930
For Parts Inquires call Parts Hangar, Inc (727) 493-0744
© Copyright 2015 Integrated Publishing, Inc.
A Service Disabled Veteran Owned Small Business