
INCH-POUND
MIL-PRF-8805/19F
4 October 2004
SUPERSEDING
MIL-PRF-8805/19E
3 September 1999
PERFORMANCE SPECIFICATION SHEET
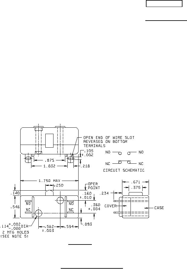
SWITCHES, SENSITIVE-MOMENTARY, 2 CIRCUIT, 40 AMPERES, UNSEALED
This specification is approved for use by all Depart-
ments and Agencies of the Department of Defense.
The complete requirements for acquiring the switches described herein
shall consist of this specification and the latest issue of MIL-PRF-8805.
MS25357-1
FIGURE 1. Dimensions and configurations.
AMSC N/A
FSC 5930