
MIL-PRF-8805/104D
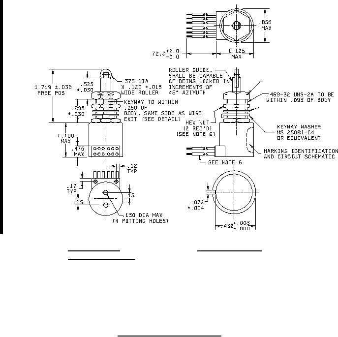
AZIMUTH ADJUST NUT
NASM 21392-11
OR EQUIVALENT
LOCKWASHER
NASM 35333-78
OR EQUIVALENT
M8805/104-002
KEYWAY DETAILS
ROLLER PLUNGER
FIGURE 1 Dimensions and configurations - Continued.
2
For Parts Inquires call Parts Hangar, Inc (727) 493-0744
© Copyright 2015 Integrated Publishing, Inc.
A Service Disabled Veteran Owned Small Business