
INCH-POUND
MIL-PRF-8805/104D
6 December 2012
SUPERSEDING
MIL-PRF-8805/104C
4 October 2004
PERFORMANCE SPECIFICATION SHEET
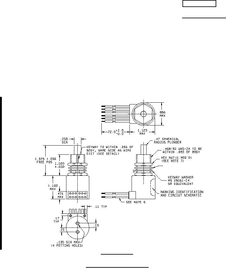
SWITCHES, SENSITIVE, PLUNGER, 7 AMPERES,
4PDT, RESILIENT SEAL, GROUNDED PLUNGER
This specification is approved for use by all Departments and Agencies of the Department of Defense.
The complete requirements for acquiring the switches described herein shall consist of this specification
and the latest issue of MIL-PRF-8805.
LOCKWASHER
NASM 35333-78
OR EQUIVALENT
M8805/104-001
PIN PLUNGER
FIGURE 1. Dimensions and configurations.
AMSC N/A
FSC 5930
For Parts Inquires call Parts Hangar, Inc (727) 493-0744
© Copyright 2015 Integrated Publishing, Inc.
A Service Disabled Veteran Owned Small Business