emilspec
An Integrated Publishing, Inc. Site
eMilSpec
An Integrated Publishing Website
MIL-PRF-24236-20 Switches, Thermostatic, \(Bimetallic\), Subminiature, Type 1, Hermetically Sealed, Single Pole, Single Throw \(Spst\), 2 Amperes And Low Level
Pages
1
-
2
-
3
-
4
-
5
-
6
-
7
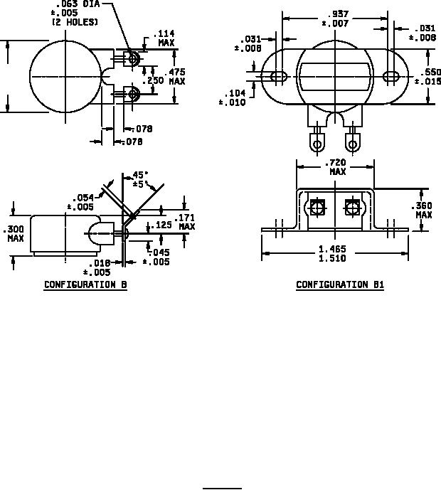
MIL-PRF-24236/20J
.660
MAX
DIA
FIGURE
1. Switches - Continued.
2