
INCH-POUND
MIL-PRF-24236/20J
22 January 2001
SUPERSEDING
MIL-S-24236/20H
27 April 1990
PERFORMANCE SPECIFICATION SHEET
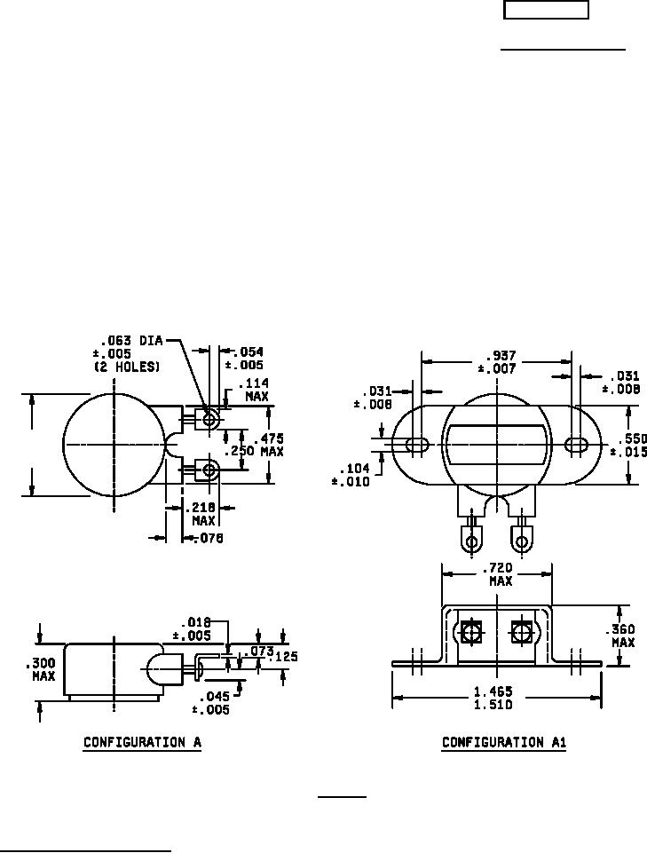
SWITCHES, THERMOSTATIC, (BIMETALLIC), SUBMINIATURE, TYPE I,
HERMETICALLY SEALED, SINGLE POLE, SINGLE THROW (SPST),
2 AMPERES AND LOW LEVEL
This specification is approved for use by all Depart-
ments and Agencies of the Department of Defense.
The requirements for acquiring the product described herein shall consist
of this specification sheet and the issue of the following specification
listed in that issue of the Department of Defense Index of Specifications
and Standards (DODISS) specified in the solicitation: MIL-PRF-24236.
.660
MAX
DIA
FIGURE 1. Switches.
AMSC N/A
1 of 7
FSC 5930
DISTRIBUTION STATEMENT A. Approved for public release; distribution is unlimited.