
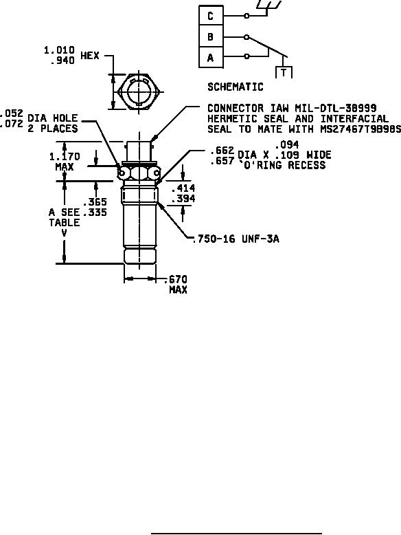
MIL-PRF-24236/2J
Inches
mm
1.32
.052
1.83
.072
2.39
.094
2.77
.109
8.51
.335
9.27
.365
10.01
.394
10.52
.414
16.69
.657
16.81
.662
17.02
.670
19.05
.750
23.88
.940
25.65
1.010
29.72
1.170
NOTES:
1. Dimensions are in inches.
2. Metric equivalents are given for general information only.
3. Do not use in applications where basic switch will be exposed to pressures over 250 psig.
FIGURE 1. Switches, thermostatic, (bimetallic), type I - Continued.
5
For Parts Inquires call Parts Hangar, Inc (727) 493-0744
© Copyright 2015 Integrated Publishing, Inc.
A Service Disabled Veteran Owned Small Business