
INCH-POUND
MIL-PRF-24236/2J
5 April 2006
SUPERSEDING
MIL-PRF-24236/2H
22 January 2001
PERFORMANCE SPECIFICATION SHEET
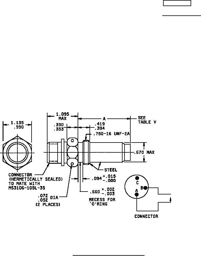
SWITCHES, THERMOSTATIC, (BIMETALLIC), TYPE I, SINGLE POLE,
SINGLE THROW (SPST), 5 AMPERES
This specification is approved for use by all
Departments and Agencies of the Department of Defense.
The requirements for acquiring the product described herein shall consist of this specification sheet
and MIL-PRF-24236.
Inches
mm
0.05
.002
0.08
.003
0.38
.015
1.32
.052
1.83
.072
2.39
.094
8.97
.353
9.91
.390
10.01
.394
10.64
.419
16.76
.660
17.02
.670
19.05
.750
25.15
.990
27.81
1.095
28.83
1.135
FIGURE 1. Switches, thermostatic, (bimetallic), type I.
AMSC N/A
FSC 5930
For Parts Inquires call Parts Hangar, Inc (727) 493-0744
© Copyright 2015 Integrated Publishing, Inc.
A Service Disabled Veteran Owned Small Business