
MIL-PRF-22885/99B
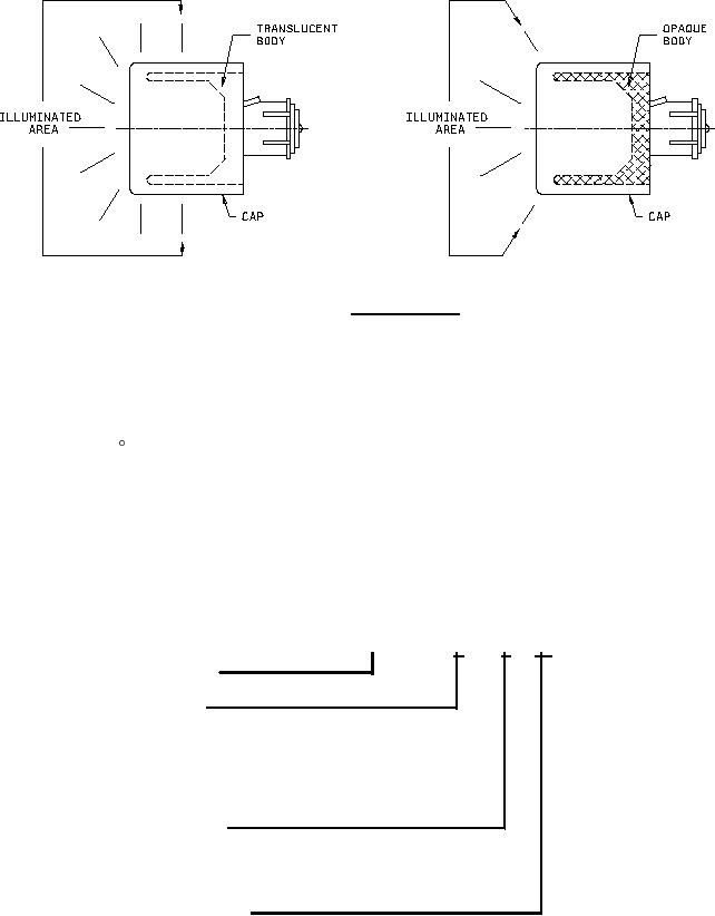
FIGURE 2. Illuminated area.
REQUIREMENTS:
Dimensions and configuration: See figures 1 and 2, and table I.
Vibration: Grade 2 (10-500 Hz).
Thermal shock: 71 C maximum temperature (nonoperating).
Indexing: The positive index tab (type 2) shall withstand rotational torque up to 2-inch pounds in either direction
without damage. Type I push buttons are orientable.
Photometric brightness and color: See table I.
Legend: See application information.
Part or Identifying Number (PIN): M22885/99-(dash number identifying the body style and mounting base (see
figure 1) and color combinations of table I).
14
EXAMPLE:
M22885/99
K
2
Specification sheet number
Body style (see figure 1)
H = .50 sq.
M = .75 sq.
J = .50 dia.
N = 1.12 x .75 rect.
K = .63 sq.
P = .75 x .50 rect.
L = .68 dia.
R = .75 dia.
Mounting base (see figure 1)
1 = Screw-in
2 = Snap-in (positive index)
Color combinations (see table I)
01 through 15 = Color numbers
3