
MIL-PRF-22885/91C
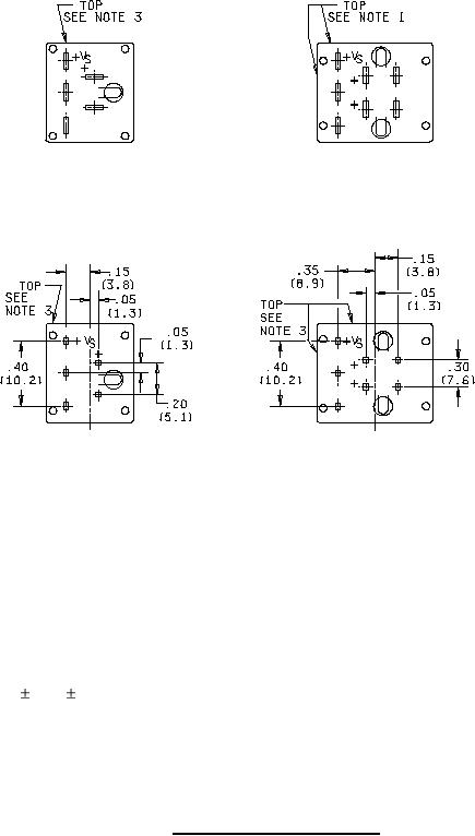
Square configuration
Rectangular configuration
Printed circuit material
Square configuration
Rectangular configuration
Illuminated devices shown.
For nonilluminated devices
lamp terminals not provided.
NOTES:
1. Dimensions are in inches.
2. Tolerances are .031 ( 0.79 mm).
3. Top side(s) of switch is shown to insure proper legend orientation. See application information.
4. Metric equivalents are given for general information only.
5. Metric equivalents are in parentheses.
6. Solder terminals. Minimum spacing between terminals, and minimum distance to edge of housing is
.045 inch.
FIGURE 3. Terminal location - pushbuttons.
6
For Parts Inquires call Parts Hangar, Inc (727) 493-0744
© Copyright 2015 Integrated Publishing, Inc.
A Service Disabled Veteran Owned Small Business