
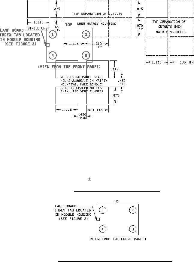
MIL-PRF-22885/87C
Inches
mm
.130
3.30
.450
11.43
.875
22.23
.970
24.64
1.115
28.32
1.210
30.73
NOTES:
1. Dimensions are in inches.
2. Metric equivalents are given for general information only.
3. Unless otherwise specified, tolerance is .010 inch (0.41mm).
FIGURE 3. Display screen, spacer or color filter, type 1.
NOTE: Numbers shown indicate sequence of color symbols in the Part or Identifying Number (PIN).
FIGURE 4. Color filter location with respect to modular light (housing).
3