
INCH POUND
MIL-PRF-22885/87C
1 March 2001
SUPERSEDING
MIL-PRF-22885/87B
8 November 1991
PERFORMANCE SPECIFICATION SHEET
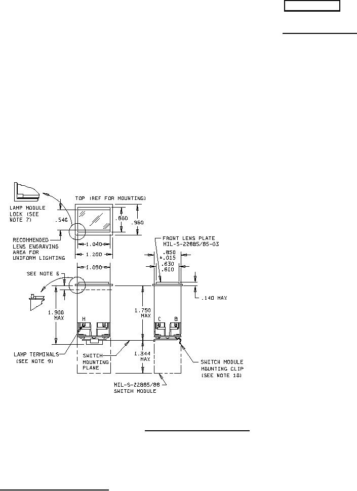
SWITCH, PUSH BUTTON, ILLUMINATED, 4 LAMP,SOLID MOUNT,
MODULAR CONSTRUCTED, HIGH IMPACT SHOCK
This specification sheet is approved for use by all Departments
and Agencies of the Department of Defense.
The requirements for acquiring the indicator lights described herein shall
consist of this specification sheet and MIL-PRF-22885.
Inches
mm
.015
0.38
.140
3.56
.546
13.87
.610
15.49
.630
16.00
.800
20.32
.850
21.59
.960
24.38
1.040
26.42
1.090
29.69
1.200
30.48
1.344
34.14
1.750
44.45
1.900
48.26
FIGURE 1. Switch, pushbutton, illuminated.
AMSC N/A
Page 1 of 11
FSC 5930
DISTRIBUTION STATEMENT A. Approved for public release; distribution is unlimited.