
MIL-PRF-22885/85D
NOTES:
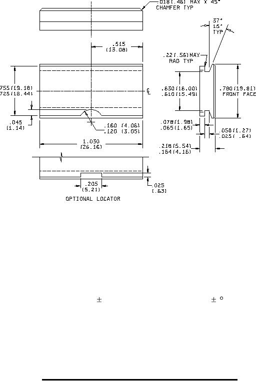
1. Dimensions are in inches.
2. Metric equivalents are given for general information only.
3. Unless otherwise specified, tolerances are .005 (.013 mm) for decimals and 2 on angles.
4. Metric equivalents are in parentheses.
FIGURE 2. Transparent front lens plate, extended face, M22885/85-02.
2