
INCH POUND
MIL-PRF-22885/85D
1 March 2001
SUPERSEDING
MIL-PRF-22885/85C
29 May 1981
PERFORMANCE SPECIFICATION SHEET
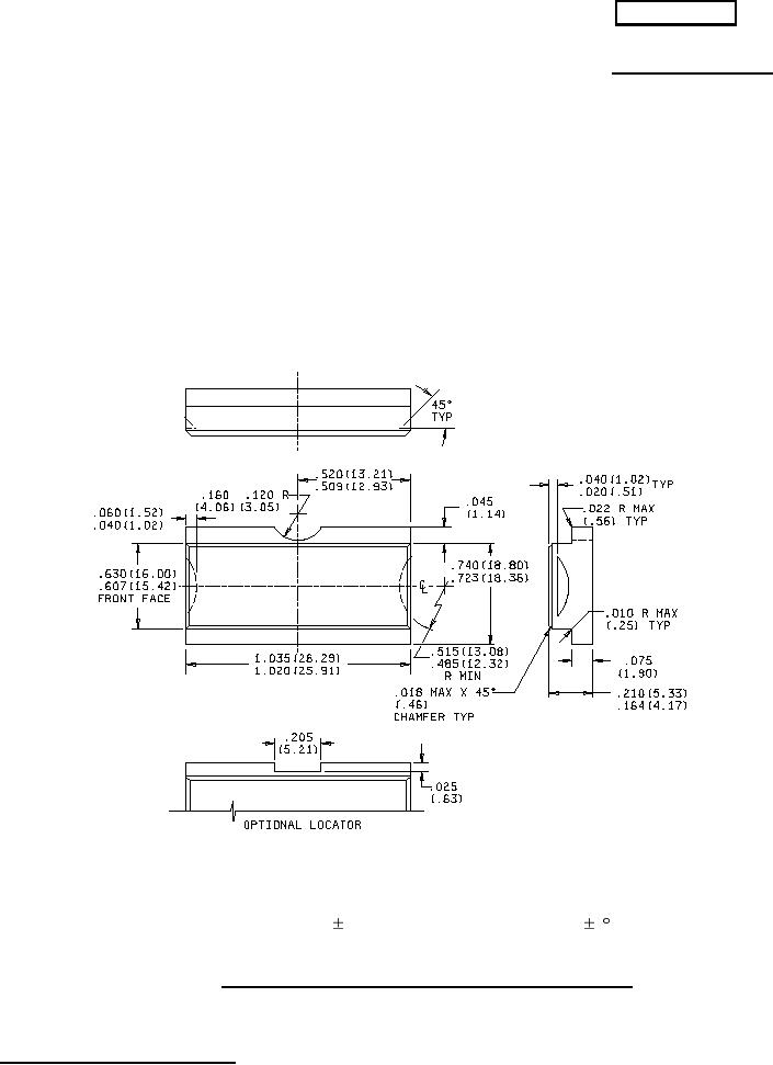
SWITCH, PUSH BUTTON, ILLUMINATED,
LENS PLATE FOR, 1.030 LONG X .730 WIDE
This specification sheet is approved for use by all Departments
and Agencies of the Department of Defense.
The requirements for acquiring the indicator lights described herein shall
consist of this specification sheet and MIL-PRF-22885.
NOTES:
1. Dimensions are in inches.
2. Metric equivalents are given for general information only.
3. Unless otherwise specified, tolerances are .005 (0.13 mm) for decimals and 2 on angles.
4. Metric equivalents are in parentheses.
FIGURE 1. Transparent front lens plate, narrow face, M22885/85-01.
AMSC N/A
Page 1 of 4
FSC 5930
DISTRIBUTION STATEMENT A. Approved for public release; distribution is unlimited.