
MIL-PRF-22885/110C
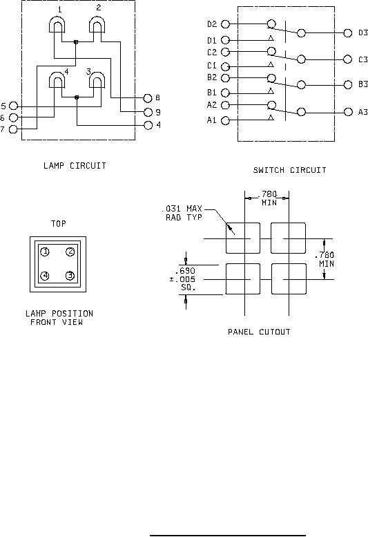
Inches
mm
Inches
mm
.005
0.13
.690
17.53
.031
0.79
.780
19.81
NOTES:
1. Dimensions are in inches.
2. Metric equivalents are given for information only.
FIGURE 2. Lamp/switch circuits and panel cutout.
3
For Parts Inquires call Parts Hangar, Inc (727) 493-0744
© Copyright 2015 Integrated Publishing, Inc.
A Service Disabled Veteran Owned Small Business