
INCH-POUND
MIL-PRF-22885/110C
4 June 2010
SUPERSEDING
MIL-PRF-22885/110B
1 March 2001
PERFORMANCE SPECIFICATION SHEET
SWITCH, PUSHBUTTON, ILLUMINATED,
4-LAMP, SUNLIGHT READABLE, NIGHT VISION IMAGING SYSTEM COMPATIBLE,
EMI/RFI SHIELDED, DRIPPROOF, SNAP ACTION,
4PDT, MOMENTARY, ALTERNATE
This specification is approved for use by all Departments and Agencies of the Department of Defense.
The requirements for acquiring the switches described herein shall consist of this specification and MIL-PRF-22885.
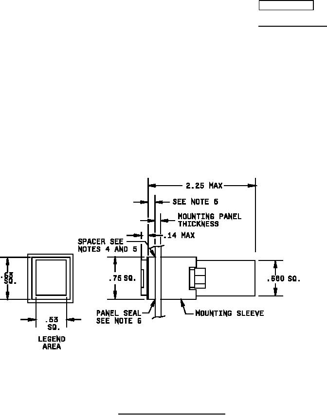
FIGURE 1. Switch dimensions and configuration.
AMSC N/A
FSC 5930
For Parts Inquires call Parts Hangar, Inc (727) 493-0744
© Copyright 2015 Integrated Publishing, Inc.
A Service Disabled Veteran Owned Small Business