
INCH-POUND
MIL-PRF-22885/101E
4 June 2010
SUPERSEDING
MIL-PRF-22885/101D
1 March 2001
PERFORMANCE SPECIFICATION SHEET
SWITCH, PUSHBUTTON, ILLUMINATED, 4-LAMP, SPDT AND DPDT,
5.0 AMPERES SILVER CONTACTS, 1 AMPERE MAX. GOLD CONTACTS,
DRIPPROOF, SUNLIGHT READABLE, EMI/RFI SHIELDED, NVIS COMPATIBLE
This specification is approved for use by all Departments and Agencies of the Department of Defense.
The requirements for acquiring the switches described herein shall consist of this specification and MIL-PRF-22885.
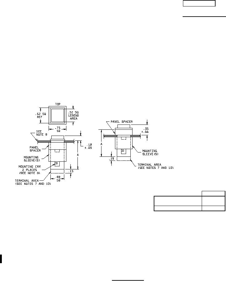
Inches
mm
.03
0.8
.05
1.3
.06
1.5
.15
3.8
.18
4.6
.35
8.9
.52
13.2
.62
15.7
.68
17.3
.75
19.1
1.06
26.9
1.36
34.5
Dim. A
Short version
1.06 MAX
(Inactive for new design)
Extended version
1.36 MAX
NOTES:
1.
Dimensions are in inches.
2.
Metric equivalents are given for general information only.
Unless otherwise specified, tolerances ±.03 (±.8 mm).
3.
4.
Pushbutton shall be designed to prevent incorrect insertion into switch housing.
5.
Pushbutton shall be held captive to switch body by retaining element to prevent accidental interchange.
6.
Exact shape of switch optional provided that dimensions specified are not exceeded.
7.
Solder lug terminals shall be turreted.
Switches shall be capable of mounting in panel thicknesses of .030 to .250 inch (.8 to 6.4 mm).
8.
9.
Mounting cams may be located top and bottom (as shown) or on sides.
10.
Printed circuit and plug-in versions are category II items and are available from sources listed on the qualified products
list. See MIL-DTL-24317 for multistation versions.
FIGURE 1. Switch, unsealed.
AMSC N/A
FSC 5930
For Parts Inquires call Parts Hangar, Inc (727) 493-0744
© Copyright 2015 Integrated Publishing, Inc.
A Service Disabled Veteran Owned Small Business