
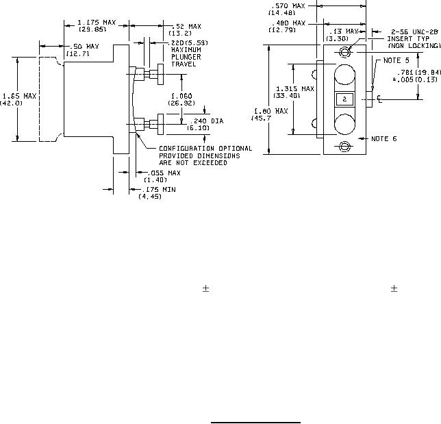
MIL-PRF-22710/30A
NOTES
1. Dimensions are in inches. Metric equivalents are for general information only and are based upon
1.00 inch = 25.4 mm.
2. Unless otherwise specified, tolerances are .03 (.8 mm) for two place decimals and .010 (.25 mm)
for three place decimals.
3. Lamps installed here, where illumination is specified.
4. This mounting surface, has optional conductive coating to provide RFI shielding, when required.
5. Depressing top button increases readout digit. Depressing lower button decreases readout digit.
FIGURE 2. Extended lens style.
2