
INCH-POUND
MIL-PRF-22710/30A
20 April 2001
SUPERSEDING
MIL-S-22710/25
25 November 1983
PERFORMANCE SPECIFICATION SHEET
SWITCHES, ROTARY (PRINTED CIRCUIT), PUSHBUTTON BIDIRECTIONAL,
SEALED, HIGH SHOCK, RFI SHIELDED, ILLUMINATED OR NONILLUMINATED),
LOW LEVEL, STYLE SRPC30
This specification is approved for use by all Departments and Agencies of the Department of Defense.
The requirements for acquiring the product described herein shall consist of this specification sheet and
the issue of MIL-PRF-22710 listed in that issue of the Department of Defense Index of Specifications and
Standards (DODISS) specified in the solicitation.
NOTES
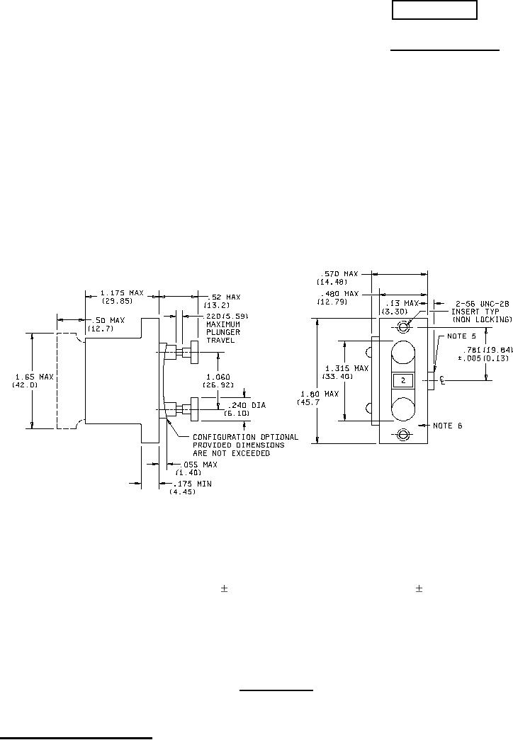
1. Dimensions are in inches. Metric equivalents are for general information only and are based upon
1.00 inch = 25.4 mm.
2. Unless otherwise specified, tolerances are .03 (.8 mm) for two place decimals and .010 (.25 mm)
for three place decimals.
3. Lamps installed here, where illumination is specified.
4. This mounting surface, has optional conductive coating to provide RFI shielding, when required.
5. Depressing top button increases readout digit. Depressing lower button decreases readout digit.
FIGURE 1. Flush lens style.
AMSC N/A
1 of 11
FSC 5930
DISTRIBUTION STATEMENT A. Approved for public release; distribution is unlimited.