
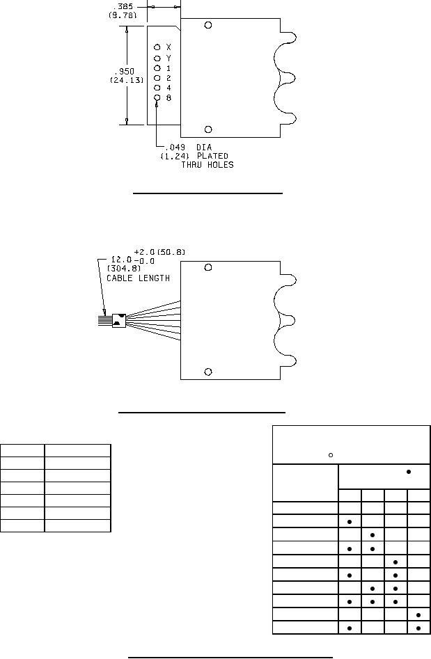
MIL-PRF-22710/15H
MODULE L, L1, L2, L3, L4 or L5
MODULE M, M1, M2, M3, M4 or M5
TRUTH TABLE
Circuit configuration 5
LEAD
COLOR
36 INDEXING
X
WHT/BRN
DIAL
COMMON X( ) &
Y
WHT/BLK
MARKING
Y(o) CONN. TO:
1
BROWN
1
2
4
8
2
RED
0
o
o
o
o
4
YELLOW
1
o
o
o
8
GREY
2
o
o
o
3
o
o
4
o
o
o
5
o
o
6
o
o
7
o
8
o
o
o
9
o
o
FIGURE 3. Module and circuit configuration - Continued
8